
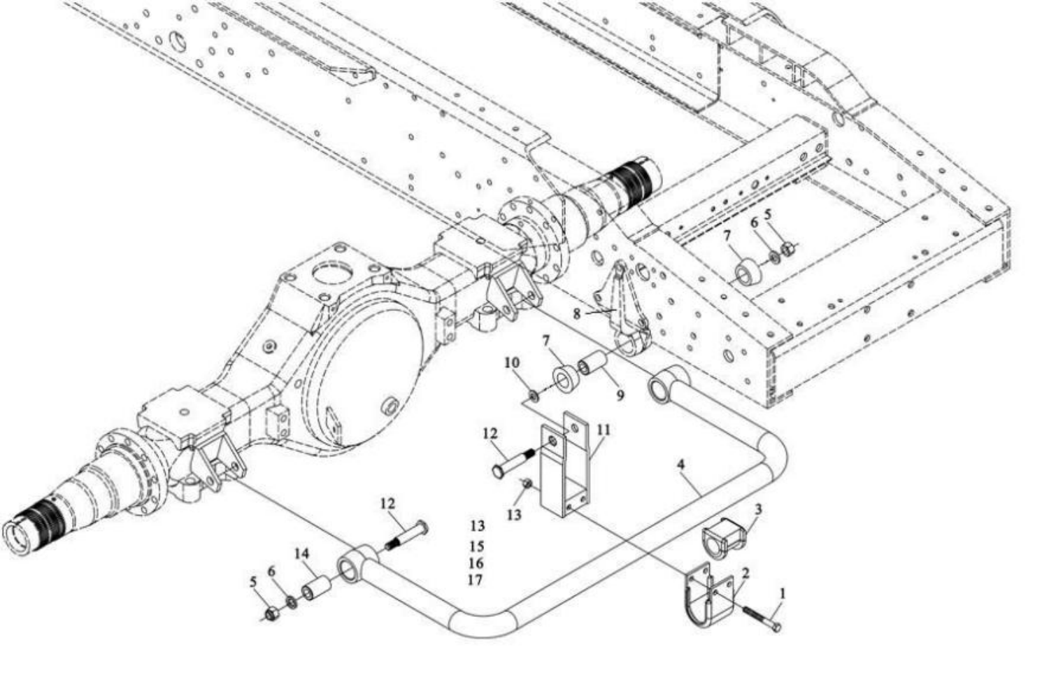
| 1 | Q151C12100 | Hexagonal head bolt - fine tooth | 4 | ||||||||||||
| 2 | 178000680032 | bearing clamp | 2 | ||||||||||||
| 3 | 199100680067 | Rubber bearings | 2 | ||||||||||||
| 4 | 199100680064 | stabilizer bar | 1 | ||||||||||||
| 5 | 190003888459 | self-locking nut | 4 | ||||||||||||
| 6 | 178000680030 | Gasket | 4 | ||||||||||||
| 7 | 199100680066 | Bearing | 4 | ||||||||||||
| 8 | 199100510008 | Stabilizer bar bracket | 2 | ||||||||||||
| 9 | 199100680037 | Sleeve | 2 | ||||||||||||
| 10 | 199100680071 | Gasket | 2 | ||||||||||||
| 11 | 199100680015 | Balance clip assembly | 2 | ||||||||||||
| 12 | 178000680029 | Bolt | 4 | ||||||||||||
| 13 | 190003888457 | self-locking nut | 4 | ||||||||||||
| 14 | 178000680035 | bushing assembly | 2 | ||||||||||||