we are very professional in spare parts for 20 years, welcome to send inquiry list to get lowest price and good quality parts| 18 | DZ9112340113 DZ9112340117 DZ9112340118 06.38070.0102 |
Brake camshaft(left) Brake camshaft(left) Brake camshaft(right) Grease nipple |
1 1 1 4 |
for1800wheel track for1860wheel track for1860wheel track |
|||||||||||||||||||||||||||||||
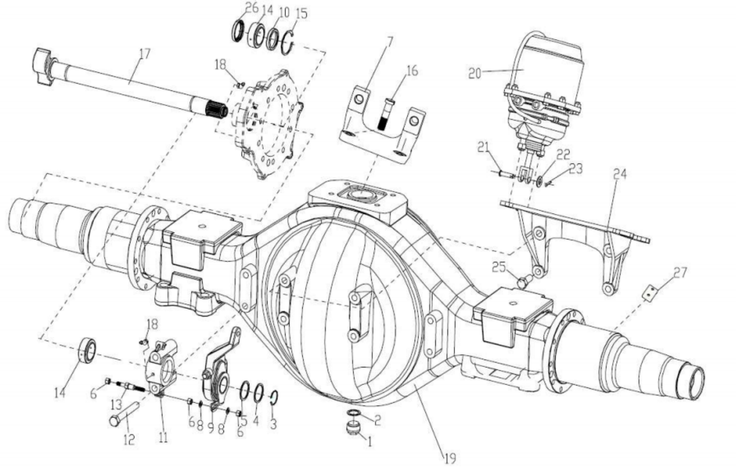
| 19 | DZ9112330419 | Rear axle case assembly | 1 | for1860wheel track | |||||||||||||||||||||||||||||||
| DZ9112330314 | Rear axle case assembly | 1 | for1860wheel track | ||||||||||||||||||||||||||||||||
| DZ9112330519 | Rear axle case assembly | 1 | for 1800wheel track | ||||||||||||||||||||||||||||||||
| DZ9112330393 | Rear axle case assembly | 1 | for1860wheel track | ||||||||||||||||||||||||||||||||
| 20 | DZ9112360310 | Spring brake air-chamber | 1 | ||||||||||||||||||||||||||||||||
| DZ9112360330 | Spring brake air-chamber | 1 | |||||||||||||||||||||||||||||||||
| 21 | 190003903661 | Pin roll | 2 | ||||||||||||||||||||||||||||||||
| 22 | 90003935015 | Plain washer | 2 | ||||||||||||||||||||||||||||||||
| 23 | 90003920328 | Cotter pin | 2 | ||||||||||||||||||||||||||||||||
| 24 | DZ9112340870 | Bracket | 1 | ||||||||||||||||||||||||||||||||
| 25 | Q1811640 | Bolt | 4 | ||||||||||||||||||||||||||||||||
| 26 | 88000340023 | O-ring | 2 | ||||||||||||||||||||||||||||||||
| 27 | DZ9112330136 | ABS bracket | 1 | ||||||||||||||||||||||||||||||||