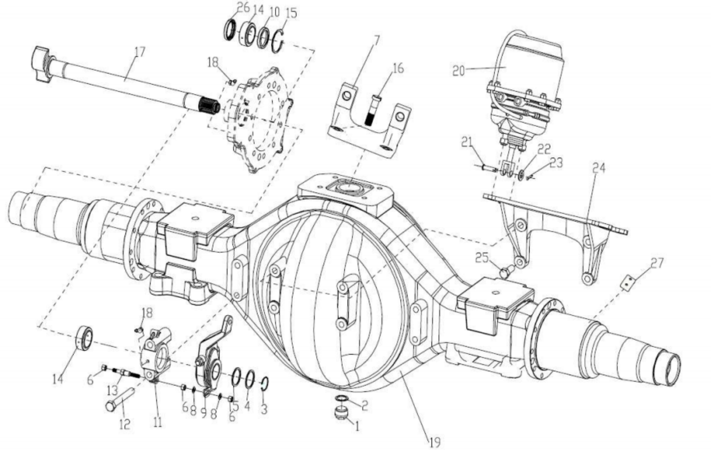
we are very professional in spare parts for 20 years, welcome to send inquiry list to get lowest price and good quality parts| 1 | 58600330015 | Magnetic plug assembly | 1 | |||||||||||||||||||||||||||||||||
| 2 | AZ9003090001 | Seal washer | 1 | |||||||||||||||||||||||||||||||||
| 3 | 190003933116 | Circlip for axle | 2 | |||||||||||||||||||||||||||||||||
| 4 | 188000320028 | Adjuster shim | on demand | |||||||||||||||||||||||||||||||||
| 188000320029 | Adjuster shim | on demand | ||||||||||||||||||||||||||||||||||
| 188000320030 | Adjuster shim | on demand | ||||||||||||||||||||||||||||||||||
| 188000320046 | Adjuster shim | on demand | ||||||||||||||||||||||||||||||||||
| 5 | 88000340022 | Plain washer | 2 | |||||||||||||||||||||||||||||||||
| 6 | Q340B08 | Nut | 6 | Only use automatic adjustment arm | ||||||||||||||||||||||||||||||||
| 7 | DZ9112340199 | Axle assisting assembly | 1 | Used for MAN suspension | ||||||||||||||||||||||||||||||||
| DZ9112330740 | Axle assisting assembly | 1 | Used for STR suspension | |||||||||||||||||||||||||||||||||
| 8 | Q40108 | Plain washer | 4 | Only use automatic adjustment arm | ||||||||||||||||||||||||||||||||
| 9 | 99000340057 | Brake adjuster (right) | 1 | optional | ||||||||||||||||||||||||||||||||
| 99000340056 | Brake adjuster (left) | 1 | optional | |||||||||||||||||||||||||||||||||
| DZ9100340044 | Brake adjuster (right) | 1 | optional | |||||||||||||||||||||||||||||||||
| DZ9100340043 | Brake adjuster (left) | 1 | optional | |||||||||||||||||||||||||||||||||
| 10 | 88000440010 | Grease packing | 1 | |||||||||||||||||||||||||||||||||
| 11 | DZ9112340145 | Bracket | 1 | |||||||||||||||||||||||||||||||||
| 12 | Q151B1695 | Bolt | 2 | |||||||||||||||||||||||||||||||||
| 13 | 81.91020.0318 | Stud | 2 | Only use automatic adjustment arm | ||||||||||||||||||||||||||||||||
| 14 | 88000340017 | Ball bearing | 4 | |||||||||||||||||||||||||||||||||
| 15 | 19000393300 | Space ring | 2 | |||||||||||||||||||||||||||||||||
| 16 | 81.90030.0134 | Bolt | 4 | Used for STR suspension | ||||||||||||||||||||||||||||||||
| 17 | Q1811645TF2 | Bolt | 6 | Used for MAN suspension | ||||||||||||||||||||||||||||||||
| DZ9112340114 | Brake camshaft(right) | 1 | for1800wheel track | |||||||||||||||||||||||||||||||||