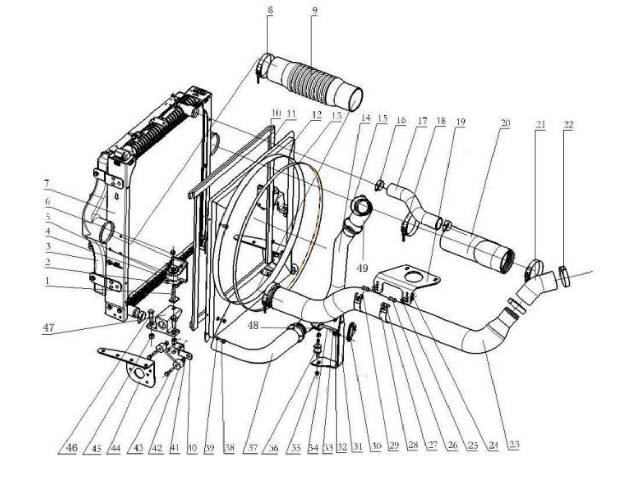
we are very professional in spare parts for 20 years, welcome to send inquiry list to get lowest price and good quality parts| 1 | DZ9112538040 | square head bolt | 2 | |||||||||||||||||||||||||||||||||||||||||||
| 2 | Q150B0816 | hex head bolt | 8 | |||||||||||||||||||||||||||||||||||||||||||
| 3 | DZ96259531020 | Intercooler assembly | 1 | |||||||||||||||||||||||||||||||||||||||||||
| 4 | Q40308 | spring washer | 8 | |||||||||||||||||||||||||||||||||||||||||||
| 5 | 81.06225.6008 | Radiator bracket assembly | 2 | |||||||||||||||||||||||||||||||||||||||||||
| 6 | 06.11240.0411 | Hexagonal locking nut | 2 | |||||||||||||||||||||||||||||||||||||||||||
| 7 | DZ96259532020 | Radiator Assembly | 1 | |||||||||||||||||||||||||||||||||||||||||||
| 8 | DZ9003532115 | T-shaped clamp | 4 | |||||||||||||||||||||||||||||||||||||||||||
| 9 | DZ93259535315 | Inner fluorine outer silicone tube | 1 | |||||||||||||||||||||||||||||||||||||||||||
| 10 | DZ91259537012 | Sponge sealing strip | 2 | |||||||||||||||||||||||||||||||||||||||||||
| 11 | DZ91259537011 | Sponge sealing strip | 2 | |||||||||||||||||||||||||||||||||||||||||||
| 12 | DZ96259536013 | Windshield assembly | 1 | |||||||||||||||||||||||||||||||||||||||||||
| 13 | DZ91259538601 | Worm driven hose clamp | 1 | |||||||||||||||||||||||||||||||||||||||||||
| 14 | DZ96259534002 | Radiator outlet pipe | 1 | |||||||||||||||||||||||||||||||||||||||||||
| 15 | Q67683 | B-type worm drive type hose clamp | 3 | |||||||||||||||||||||||||||||||||||||||||||
| 16 | Q67664 | B-type worm drive type hose clamp | 3 | |||||||||||||||||||||||||||||||||||||||||||
| 17 | DZ96259535018 | Radiator inlet hose | 1 | |||||||||||||||||||||||||||||||||||||||||||
| 18 | DZ9003532115 | T-shaped clamp | 2 | |||||||||||||||||||||||||||||||||||||||||||
| 19 | DZ93259538061 | fixed bracket | 1 | |||||||||||||||||||||||||||||||||||||||||||
| 20 | DZ96259535020 | Outlet pipe of intercooler | 1 | |||||||||||||||||||||||||||||||||||||||||||
| 21 | Turbocharger connection (Weichai belt) | 1 | ||||||||||||||||||||||||||||||||||||||||||||
| 22 | DZ9003532084 | T-shaped clamp | 2 | |||||||||||||||||||||||||||||||||||||||||||
| 23 | DZ96259534014 | Inlet pipe of intercooler | 1 | |||||||||||||||||||||||||||||||||||||||||||
| 24 | Q150B0820 | hex head bolt | 4 | |||||||||||||||||||||||||||||||||||||||||||
| 26 | DZ9100530053 | Tensioning pin | 2 | |||||||||||||||||||||||||||||||||||||||||||
| 27 | DZ9100530052 | Tighten the pin | 2 | |||||||||||||||||||||||||||||||||||||||||||
| 28 | DZ9100530051 | Clamp belt | 2 | |||||||||||||||||||||||||||||||||||||||||||
| 29 | Q218B0860 | Hexagonal socket head screw | 2 | |||||||||||||||||||||||||||||||||||||||||||
| 30 | DZ93259538077 | Bracket cushion block | 1 | |||||||||||||||||||||||||||||||||||||||||||
| 31 | DZ96259538000 | Drainage pipe bracket | 1 | |||||||||||||||||||||||||||||||||||||||||||
| 32 | Q40110 | flat washer | 2 | |||||||||||||||||||||||||||||||||||||||||||
| 33 | Q40310 | spring washer | 2 | |||||||||||||||||||||||||||||||||||||||||||
| 34 | Q150B1090 | hex head bolt | 1 | |||||||||||||||||||||||||||||||||||||||||||
| Q150B1030 | hex head bolt | 1 | ||||||||||||||||||||||||||||||||||||||||||||
| 35 | Q33210 | hex head nut | 2 | |||||||||||||||||||||||||||||||||||||||||||
| 36 | DZ93259537002 | buffer block | 1 | |||||||||||||||||||||||||||||||||||||||||||
| 37 | DZ96259535017 | Radiator outlet hose | 1 | |||||||||||||||||||||||||||||||||||||||||||
| 38 | Q150B0816 | hex head bolt | 6 | |||||||||||||||||||||||||||||||||||||||||||
| 39 | Q40308 | spring washer | 6 | |||||||||||||||||||||||||||||||||||||||||||
| 40 | DZ96259538027 DZ96259538028 |
Left connecting plate | 11 | |||||||||||||||||||||||||||||||||||||||||||
| Right connecting plate | ||||||||||||||||||||||||||||||||||||||||||||||
| 41 | Q33210 | hex head nut | 4 | |||||||||||||||||||||||||||||||||||||||||||
| 42 | 81.06245.0043 | Swing support assembly | 2 | |||||||||||||||||||||||||||||||||||||||||||
| 43 | Q150B1050 | hex head bolt | 4 | |||||||||||||||||||||||||||||||||||||||||||
| 44 | DZ95259538072 | Lower right bracket | 2 | |||||||||||||||||||||||||||||||||||||||||||
| 45 | Q32214 | hex head nut | 4 | |||||||||||||||||||||||||||||||||||||||||||
| 46 | Q40214 | large washer | 4 | |||||||||||||||||||||||||||||||||||||||||||
| Q150B1445 | Hexagonal head bolt| | 4 | ||||||||||||||||||||||||||||||||||||||||||||
| 47 | DZ96259538019 | Left bracket of radiator | 1 | |||||||||||||||||||||||||||||||||||||||||||
| DZ96259538020 | Right bracket of radiator | 1 | ||||||||||||||||||||||||||||||||||||||||||||
| 48 | DZ93259538605 | pipe clamp | 1 | |||||||||||||||||||||||||||||||||||||||||||
| 49 | DZ93259535804 | Variable diameter silicone tubing 55-60 | 1 | |||||||||||||||||||||||||||||||||||||||||||