Facebook

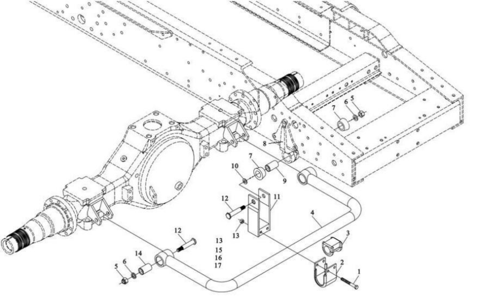
SHACMAN REAR STABILIZER BAR (DC91259680002)-1

By ALEX-86 16215315999 January 9th, 2026 75 views
we are very professional in spare parts for 20 years, welcome to send inquiry list to get lowest price and good quality parts
Whatsapp:   +0086 16215315999 
Q151C12100 Hex head bolt - fine tooth
178000680032  bearing clamp
199100680067  Rubber bearings
199100680064  stabilizer bar
190003888459  self-locking nut
178000680030  Gasket
199100680066  Bearing
199100510008  Stabilizer bar bracket
199100680037  Sleeve
10  199100680071  Gasket
11  199100680015  Balance clip assembly
12  178000680029  Bolt
13  190003888457  self-locking nut
14  178000680035  bushing assembly

SHACMAN FRONT STABILIZER BAR (DC91259680002)-1
Previous
SHACMAN FRONT STABILIZER BAR (DC91259680002)-1
Read More
SHACMAN REAR SUSPENSION (DC91259520501)-1
Next
SHACMAN REAR SUSPENSION (DC91259520501)-1
Read More