
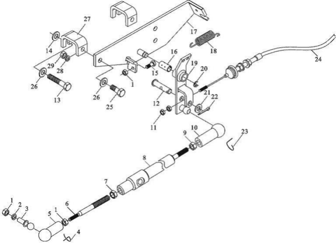
| 1 | Q340B06 | Hex nut | 3 | SX4255UM294 | WD615、WD12 engine | |
| 2 | Q40506 | Spring washer | 1 | lightweight | ||
| 3 | 190003963313 | Ball pin | 1 | |||
| 4 | 190003936513 | Slip | 1 | |||
| 5 | 190003963616 | Ball clevis | 1 | |||
| 6 | 199012570062 | Threaded rod | 1 | |||
| 7 | Q340B10 | Hex nut | 1 | |||
| 8 | 179000570084 | Air cylinder | 1 | |||
| 9 | Q340B08 | Hex nut | 2 | |||
| 10 | 190003963623 | Ball cleois | 1 | B13 DIN 71805 | ||
| 11 | Q350B06T15 | Thex nut | 2 | |||
| 12 | 199012570084 | Bolt | 1 | |||
| 13 | Hex screw | 2 | ||||
| 14 | 609E110036 | Adjusting washer | 2 | |||
| 15 | Q150B0620 | Hex screw | 1 | |||
| 16 | 199024180012 | Bush | 1 | |||
| 17 | 199100570015 | Drop lever | 1 | |||
| 18 | 128800570057 | Sping | 1 | |||
| 19 | 199100570018 | Lever assembly | 1 | |||
| DZ9100570018 | Lever assembly | 1 | select | |||
| 20 | Q43680 | Snap ring | 1 | |||
| 21 | Q40110 | Washer | 1 | |||
| 22 | Q5003216 | Cotter pin | 1 | |||
| 23 | 190003936514 | Clip | 1 | R13 DIN 71805 | ||
| 24 | DZ9100578001 | Accelerograph pull | 1 | |||