
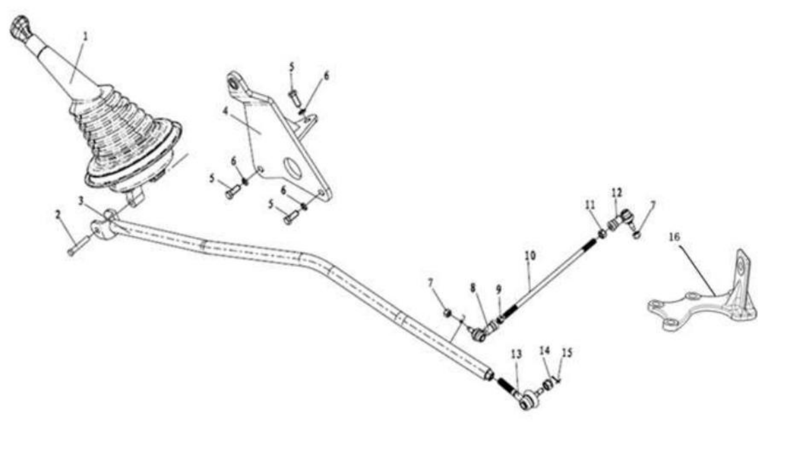
| 1 | DZ93259240094 | Shift lever | 1 | Fast 9-speed gearbox model | |
| 1 | DZ9114240050 | Shift lever | 1 | Fast 9-speed gearbox model with overdrive | |
| 1 | DZ93259240066 | Shift lever | 1 | Faust 12 gearbox model | |
| 2 | 81.91020.0603 | Pin | 1 | ||
| 3 | DZ96259240525 | Draglink | 1 | WP10 Country III | |
| 4 | DZ96259240524 | Bracket | 1 | WP10 National III Model | |
| 5 | Q150B1230 | Hex lock screw | 3 | ||
| 6 | Q40312 | Spring Washer | 3 | ||
| 7 | Q33210 | Hex nut | 2 | ||
| 8 | 199100240090 | Ball joint | 1 | ||
| 9 | Q340B12 | Nut | 1 | ||
| 10 | 1-99-951-042 | Screw | 1 | ||
| 11 | 190003871313 | Nut | 1 | ||
| 12 | 199112240122 | Ball joint | 1 | ||
| 13 | 189000240031 | Ball joint | 1 | ||
| 14 | Q387B10 | Nut | 1 | ||
| 15 | Q5002022 | Cotter pin | 1 | ||
| 16 | SZ924000954 | Underprop board | 1 |