
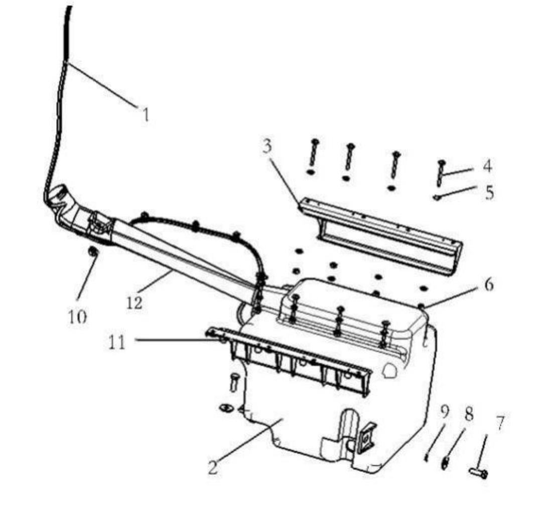
| 1 | DZ15221740040 | Water kettle spray pipe | 1 | |||||||||||||||||||||
| 2 | DZ15221740020 | Spray kettle assembly | 1 | |||||||||||||||||||||
| 3 | DZ15221740032 | Right installation bracket for spray kettle | 1 | |||||||||||||||||||||
| 4 | Q2140445 | Cross groove pan head screw | 8 | |||||||||||||||||||||
| 5 | Q40104 | flat washer | 16 | |||||||||||||||||||||
| 6 | Q340B04 | Type 1 hex nut | 8 | |||||||||||||||||||||
| 7 | Q150B0820 | spring washer | 2 | |||||||||||||||||||||
| 8 | Q40208 | hex head bolt | 2 | |||||||||||||||||||||
| 9 | Q40308 | large washer | 2 | |||||||||||||||||||||
| 10 | DZ15221740031 | Left installation bracket for spray kettle | 1 | |||||||||||||||||||||
| 11 | Q32006 | Hexagonal flange nut | 1 | |||||||||||||||||||||
| 12 | DZ15221740030 | Water kettle inlet pipe | 1 | |||||||||||||||||||||