
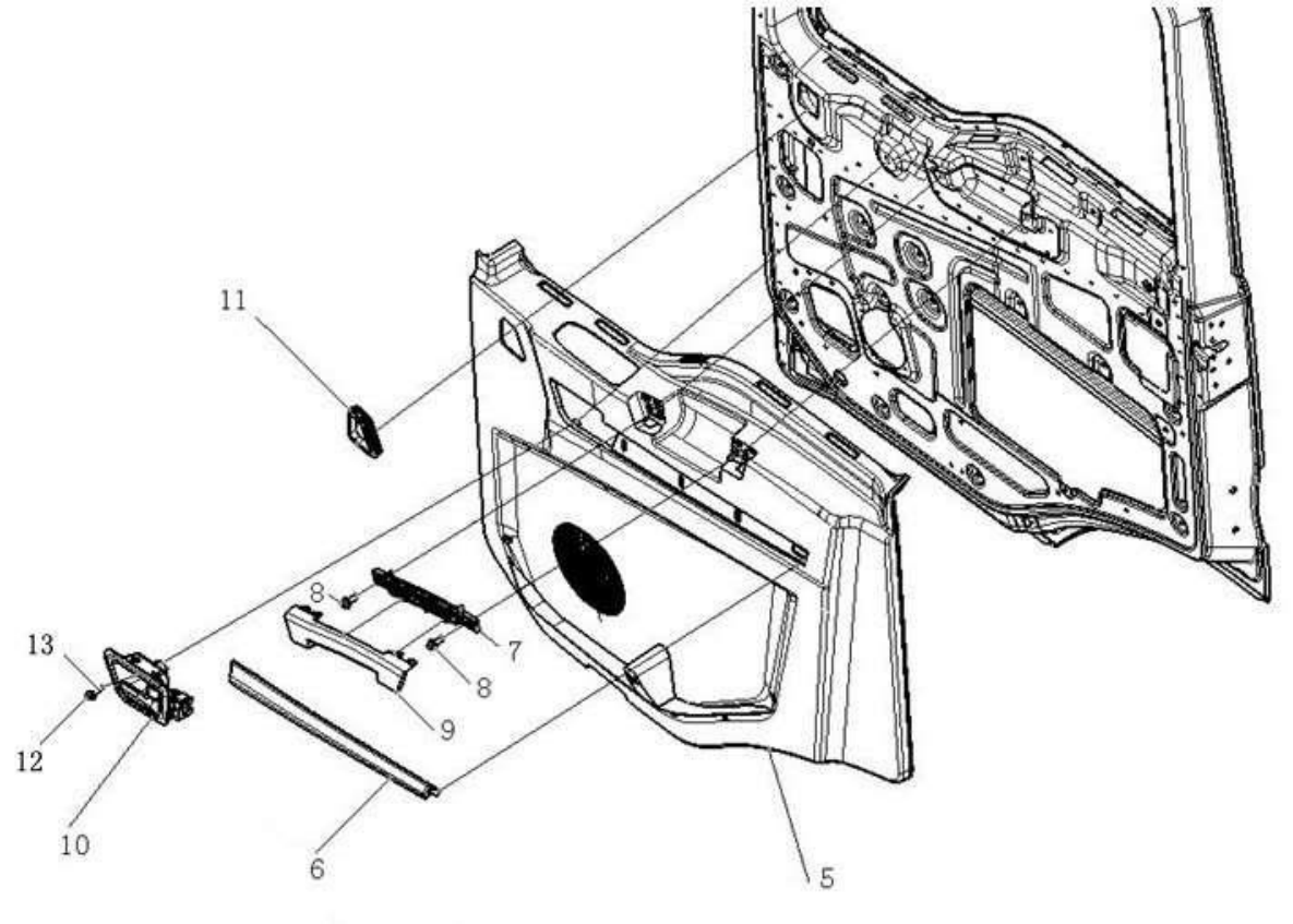
| 5 | DZ15221330044 | Right door inner guard body (HP2240612041) | 1 | ||||||||||||||||||||||||
| 6 | DZ15221330045 | Decorative strip on the inner fender of the right car door (HP2240612043) | 1 | ||||||||||||||||||||||||
| 7 | DZ15221330046 | Left door closing armrest (inside) | 1 | ||||||||||||||||||||||||
| 8 | Q150B0625 | hex head bolt | 2 | ||||||||||||||||||||||||
| 9 | DZ15221330047 | Left door closing armrest (outer) (HP22406120022) | 1 | ||||||||||||||||||||||||
| 10 | DZ15221330048 | Right door interior handle assembly (HP22406120020) | 1 | ||||||||||||||||||||||||
| 11 | DZ15221330049 | Right door air inlet | 1 | ||||||||||||||||||||||||
| 12 | Q2714816 | Cross groove pan head self tapping screw | 1 | ||||||||||||||||||||||||
| 13 | Q398B04 | A-type through-hole embedded plastic nut | 1 | ||||||||||||||||||||||||