
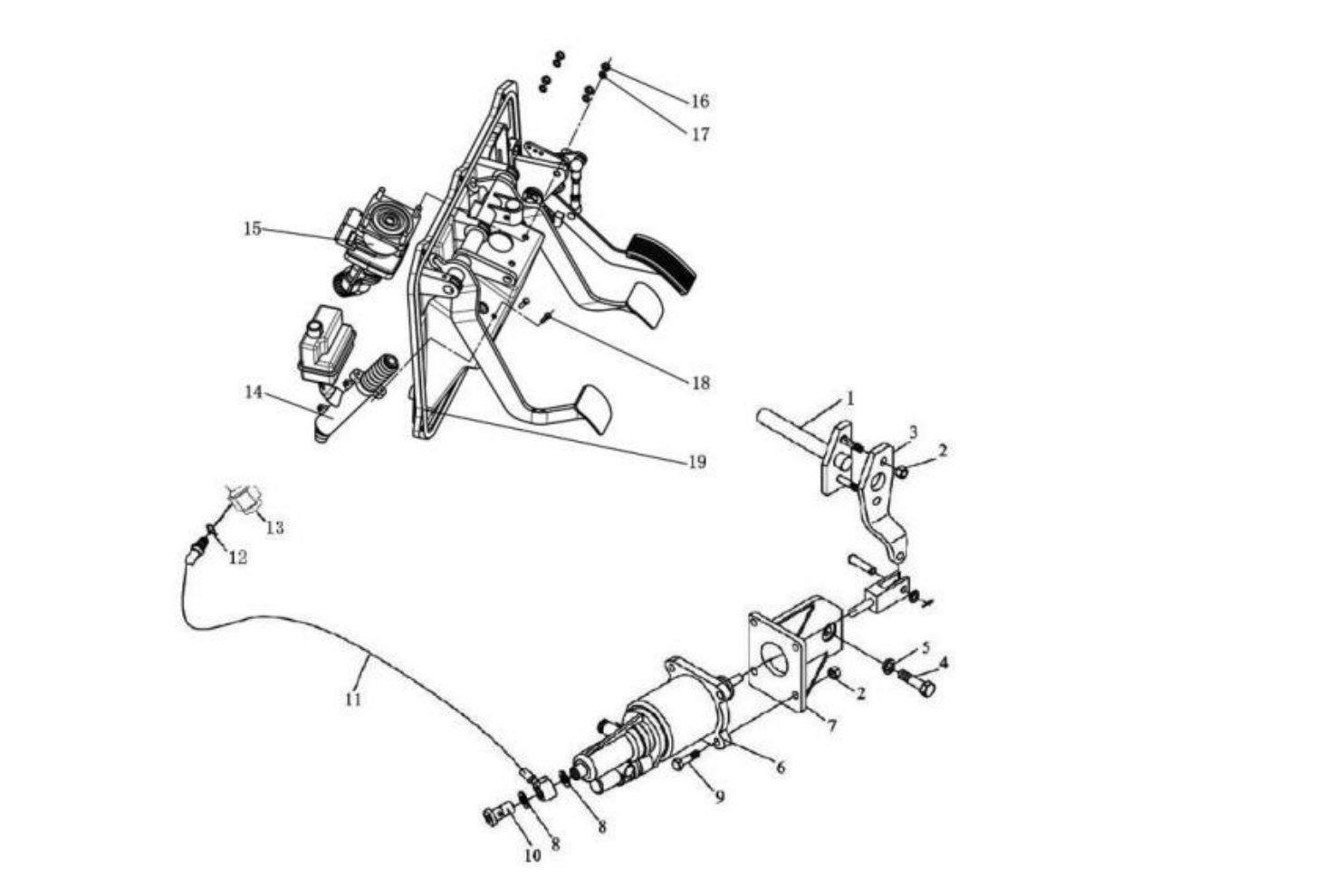
| 1 | DZ9112231033 | Clutch fork shaft welding assembly | 1 | ||||||||||||||||||||
| 2 | Q33210 | Type 2 all metal locking nut | 6 | ||||||||||||||||||||
| 3 | DZ9112230020 | Separate rocker arm | 1 | ||||||||||||||||||||
| 4 | Q151B1435 | hex head bolt | 2 | ||||||||||||||||||||
| 5 | Q40314 | spring washer | 2 | ||||||||||||||||||||
| 6 | DZ9112230166 | clutch slave cylinder | 1 | ||||||||||||||||||||
| 7 | DZ9112230029 | Clutch cylinder bracket | 1 | ||||||||||||||||||||
| 8 | Q72314 T5F | gasket | 4 | ||||||||||||||||||||
| 9 | Q150B1045 | hex head bolt | 4 | ||||||||||||||||||||
| 10 | 190003962621 | hollow bolt | 1 | ||||||||||||||||||||
| 11 | DZ93259230300 | Oil pipe | 1 | ||||||||||||||||||||
| 12 | DZ9112230212 | retaining ring | 1 | ||||||||||||||||||||
| 13 | DZ9112230211 | Transition joint body | 1 | ||||||||||||||||||||
| 14 | DZ97189230520 | Master pump and storage tank assembly | 1 | ||||||||||||||||||||
| 15 | DZ96189360079 | Brake valve assembly | 1 | ||||||||||||||||||||
| 16 | Q340B08 | Type 1 hex nut | 4 | ||||||||||||||||||||
| 17 | Q40308 | spring washer | 4 | ||||||||||||||||||||
| 18 | Q150B0520 | hex head bolt | 2 | ||||||||||||||||||||
| 19 | DZ97189230510 | Pedal mechanism assembly/National II | 1 | ||||||||||||||||||||