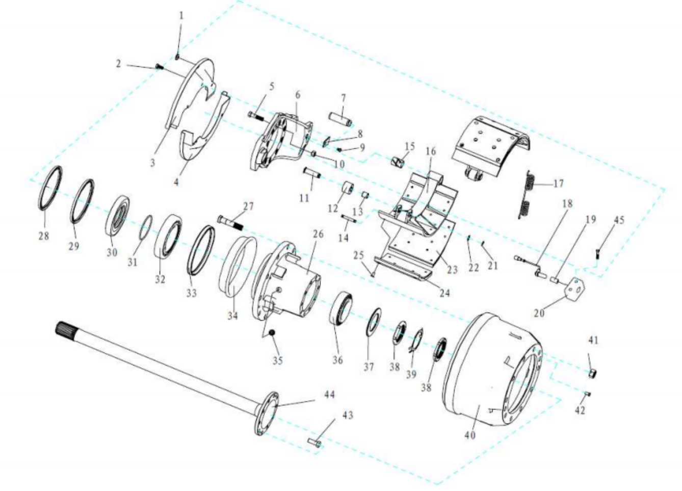
we are very professional in spare parts for 20 years, welcome to send inquiry list to get lowest price and good quality parts| 1 | 88000340037 | Packing ring | 4 | |||||||||||||||||||||||||||
| 2 | Q150B1012 | Bolt | 12 | |||||||||||||||||||||||||||
| 3 | DZ9112340012 | Dirt guard(left) | 2 | |||||||||||||||||||||||||||
| 4 | DZ9112340013 | Dirt guard(right) | 2 | |||||||||||||||||||||||||||
| 5 | Q151B1460TF2 | Bolt | 20 | |||||||||||||||||||||||||||
| 6 | DZ9112340097 | Brake floor(right) | 1 | |||||||||||||||||||||||||||
| DZ9112340143 | Brake floor(left) | 1 | ||||||||||||||||||||||||||||
| 7 | 81.50212.0032 | Pin | 4 | |||||||||||||||||||||||||||
| 8 | 81.90801.0225 | Cover sheet | 2 | |||||||||||||||||||||||||||
| 9 | 06.02828.4505 | Bolt | 2 | |||||||||||||||||||||||||||
| 10 | 190003888458 | Nut | 20 | |||||||||||||||||||||||||||
| 11 | 81.50211.0030 | Pin | 4 | |||||||||||||||||||||||||||
| 12 | 81.50213.0013 81.50213.6006 |
Roller Roller |
4 | With lining | ||||||||||||||||||||||||||
| 13 | 81.93021.0220 | Bush | 4 | |||||||||||||||||||||||||||
| 14 | 81.50211.0018 | Return spring pin | 4 | |||||||||||||||||||||||||||
| 15 | 81.93021.0141 | Bush | 4 | |||||||||||||||||||||||||||
| 16 | DZ9112340061 | Brake shoe | 4 | |||||||||||||||||||||||||||
| 17 | 81.97610.0115 | Return spring | 4 | |||||||||||||||||||||||||||
| 18 | DZ9100580214 | Feeler search | 2 | Used for belt ABS | ||||||||||||||||||||||||||
| 19 | DZ9100580215 | Transducer bush | 2 | Used for belt ABS | ||||||||||||||||||||||||||
| 20 | DZ9112340053 | ABS bracket | 2 | Used for belt ABS | ||||||||||||||||||||||||||
| 21 | 90003933072 | Circlip for axle | 4 | |||||||||||||||||||||||||||
| 22 | 06.15113.2615 | Washer | 4 | |||||||||||||||||||||||||||
| 23 | DZ9112340063 | Lower friction plate | 4 | |||||||||||||||||||||||||||