Facebook

SHACMAN NEW M3000 HD469 SINGLE-STAGE DECELERATION DRIVE AXLE(WHEEL EDGE)-3

By ALEX-86 16215315999 November 17th, 2025 133 views
we are very professional in spare parts for 20 years, welcome to send inquiry list to get lowest price and good quality parts
Whatsapp:   +0086 16215315999 
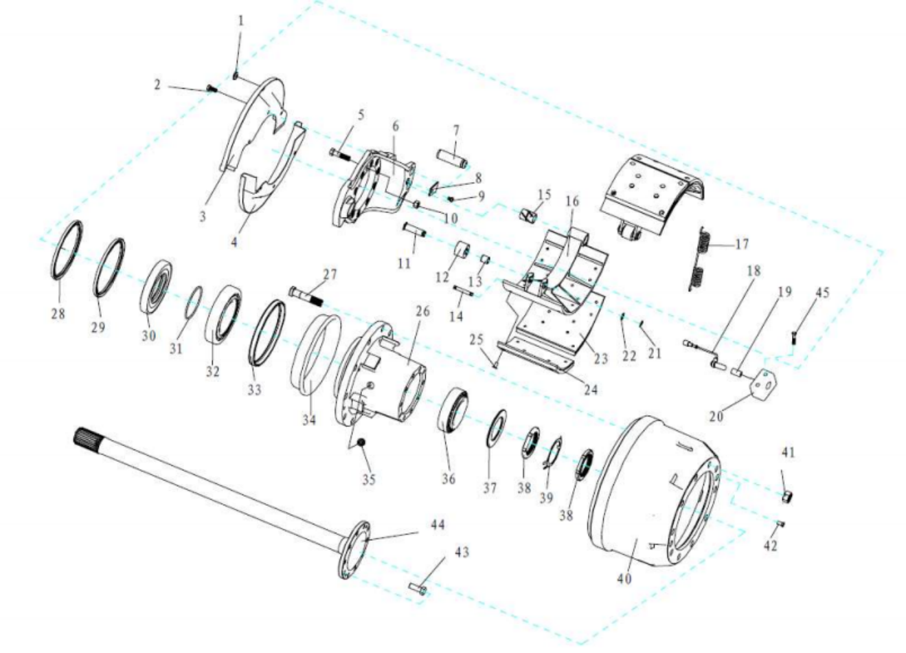
44    DZ9112340156 Half axis 2 Used for1800wheel track
   DZ9112340158 Half axis 2 Used for1801wheel track
45    Q151B0850 Bolt 4 Used for belt ABS
SHACMAN NEW M3000 HD469 SINGLE-STAGE DECELERATION DRIVE AXLE(WHEEL EDGE)-2
Previous
SHACMAN NEW M3000 HD469 SINGLE-STAGE DECELERATION DRIVE AXLE(WHEEL EDGE)-2
Read More
SHACMAN NEW M3000SERVEBRAKE CONTROL DEVICE-1
Next
SHACMAN NEW M3000SERVEBRAKE CONTROL DEVICE-1
Read More