Facebook

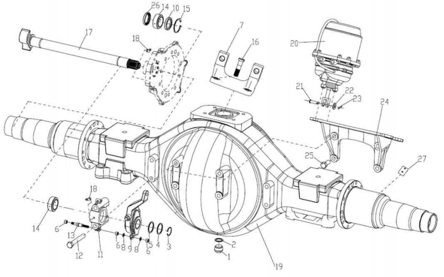
SHACMAN NEW M3000 HD469 SINGLE-STAGE DECELERATION DRIVE AXLE HOUSING(REAR AXLE)-1

By ALEX-86 16215315999 November 17th, 2025 138 views
we are very professional in spare parts for 20 years, welcome to send inquiry list to get lowest price and good quality parts
Whatsapp:   +0086 16215315999 
1 58600330015 Magnetic plug assembly 1
2    AZ9003090001 Seal washer 1
3 190003933116 Circlip for axle 2
4 188000320028 Adjuster shim on demand
188000320029 Adjuster shim on demand
188000320030 Adjuster shim on demand
188000320046 Adjuster shim on demand
5 88000340022 Plain washer 2
6    Q340B08 Nut 6 Used only for automatic arm adjustment
7    DZ9112340199 Bracket for rear axle 1 Used for MAN suspension
   DZ9112330740 Bracket for rear axle 1 Used for STR suspension
8    Q40108 Plain washer 4 Used only for automatic arm adjustment
9 99000340057 Brake adjuster (right) 1 optional
99000340056 Brake adjuster (left) 1 optional
   DZ9100340044 Brake adjuster (right) 1 optional
   DZ9100340043 Brake adjuster (left) 1 optional
10 88000440010 Grease packing 1 Used only for automatic arm adjustment
11    DZ9112340145 Bracket 1
12    Q151B1695 Bolt 2
13    81.91020.0318 Stud 2
14 88000340017 Busher 4
15 190003933300 Space ring 2
16    81.90030.0134 Bolt 4 Used for STR suspension
   Q1811645TF2 Bolt 6 Used for MAN suspension
SHACMAN NEW M3000 HD469 SINGLE-STAGE DECELERATION DRIVE AXLE MIDDLE SECTION(MIDDLE AXLE)-4
Previous
SHACMAN NEW M3000 HD469 SINGLE-STAGE DECELERATION DRIVE AXLE MIDDLE SECTION(MIDDLE AXLE)-4
Read More
SHACMAN NEW M3000 HD469 SINGLE-STAGE DECELERATION DRIVE AXLE HOUSING(REAR AXLE)-2
Next
SHACMAN NEW M3000 HD469 SINGLE-STAGE DECELERATION DRIVE AXLE HOUSING(REAR AXLE)-2
Read More