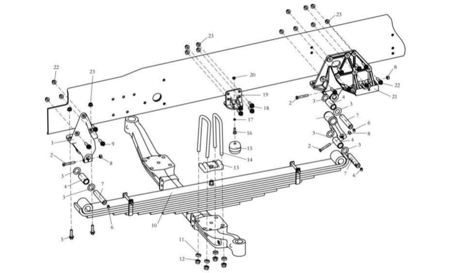
we are very professional in spare parts for 20 years, welcome to send inquiry list to get lowest price and good quality parts| 1 | SZ970000736 | Front spring front bracket | 2 | |||||||||||||||||||||||||
| 2 | Q151C1275 | Hexagonal head bolt - fine tooth | 6 | |||||||||||||||||||||||||
| 3 | 168000520056 | washer | 12 | |||||||||||||||||||||||||
| 4 | 199000520078 | bushing | 6 | |||||||||||||||||||||||||
| 5 | Q1811455TF2 | Hexagonal flange bearing face toothed bolt - fine tooth | 4 | |||||||||||||||||||||||||
| 6 | 190003963127 | Metric taper thread grease nozzle | 6 | |||||||||||||||||||||||||
| 7 | 199100520065 | spring pin | 5 | |||||||||||||||||||||||||
| DZ9100520007 | spring pin | 1 | ||||||||||||||||||||||||||
| 8 | 190003888457 | self-locking nut | 6 | |||||||||||||||||||||||||
| 9 | Q1811450TF2 | Hexagonal flange bearing face toothed bolt - fine tooth | 6 | |||||||||||||||||||||||||
| 10 | DZ9100529008 DZ9100529009 |
Front left steel plate spring assembly Front right steel plate spring assembly |
1 1 |
|||||||||||||||||||||||||
| 11 | 168000520056 | washer | 8 | |||||||||||||||||||||||||
| 12 | 190003888626 | self-locking nut | 8 | |||||||||||||||||||||||||
| 13 | 188000520002 | Front spring pressure plate | 2 | |||||||||||||||||||||||||
| 14 | AZ9100520007 | Front spring saddle bolt | 4 | |||||||||||||||||||||||||
| 15 | 188000520017 | Front spring limit block | 2 | |||||||||||||||||||||||||
| 16 | 188000520019 | fastener | 2 | |||||||||||||||||||||||||
| 17 | Q40310 | spring washer | 2 | |||||||||||||||||||||||||
| 18 | Q1811445TF2 | Hexagonal flange bearing face toothed bolt - fine tooth | 8 | |||||||||||||||||||||||||
| 19 | DZ96319690103 | Front spring limit bracket assembly | 2 | |||||||||||||||||||||||||
| 20 | Q340B10 | Type 1 hex nut | 2 | |||||||||||||||||||||||||
| 21 | SZ970000737 | Left rear bracket of front spring | 1 | |||||||||||||||||||||||||
| SZ970000782 | Front spring, right rear bracket | 1 | ||||||||||||||||||||||||||
| 22 | Q1811455TF2 | Hexagonal flange bearing face toothed bolt - fine tooth | 14 | |||||||||||||||||||||||||