
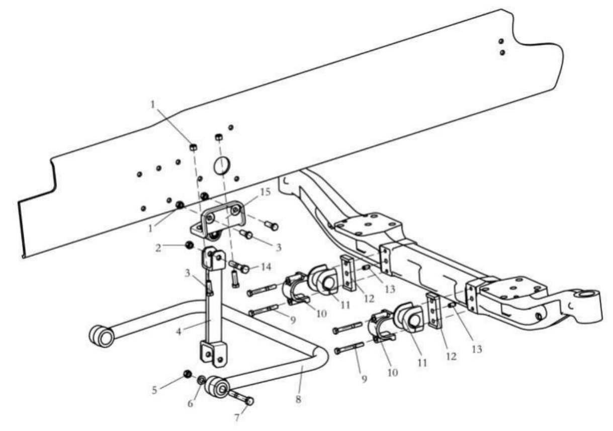
| 1 | 190003888458 | self-locking nut | 8 | |||||||||||||||||||||||||
| 2 | 190003888459 | self-locking nut | 2 | |||||||||||||||||||||||||
| 3 | Q151B1445TF2 | Hexagonal head bolt - fine tooth | 4 | |||||||||||||||||||||||||
| Q151B1440TF2 | Hexagonal head bolt - fine tooth | 4 | ||||||||||||||||||||||||||
| 4 | DZ91189681345 | Front stabilizer bar suspension plate assembly | 2 | |||||||||||||||||||||||||
| 5 | 190003888458 | self-locking nut | 2 | |||||||||||||||||||||||||
| 6 | Q40114 | flat washer | 2 | |||||||||||||||||||||||||
| 7 | 199100680069 | bolt | 2 | |||||||||||||||||||||||||
| 8 | DZ9100680050 | Lateral stabilizer bar assembly | 1 | |||||||||||||||||||||||||
| 9 | Q150B1295TF2 | hex head bolt | 4 | |||||||||||||||||||||||||
| 10 | DZ9100680024 | Fixed clamp block | 2 | |||||||||||||||||||||||||
| 11 | 199100680068 | Rubber bearings | 2 | |||||||||||||||||||||||||
| 12 | DZ9100680027 | backing board | 2 | |||||||||||||||||||||||||
| 13 | Q5211222 | Cylindrical pin (A-type - d tolerance m6) | 2 | |||||||||||||||||||||||||
| 14 | 199100680057 | bolt | 2 | |||||||||||||||||||||||||
| 15 | DZ96259680103 | Stabilizer bar bracket assembly | 2 | |||||||||||||||||||||||||