SHACMAN NEW M3000 COOLER SYSTEM/WP10/NEWM3000/850 FRAME-5
By ALEX-86 16215315999
December 17th, 2025
73 views
we are very professional in spare parts for 20 years, welcome to send inquiry list to get lowest price and good quality partsWhatsapp: +0086 16215315999
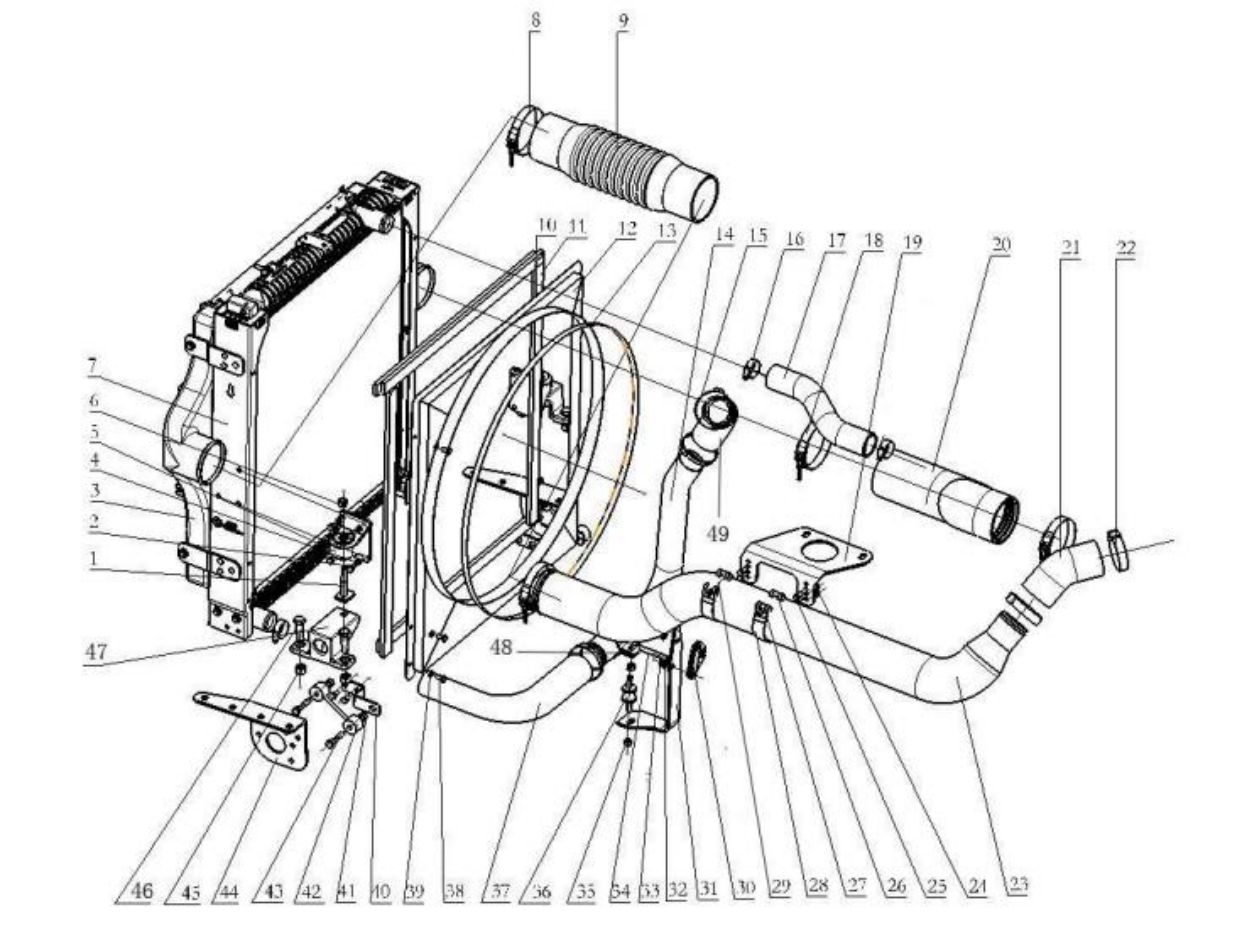
| 1 |
DZ9112538040 |
square head bolt |
2 |
|
|
| 2 |
Q150B0816 |
hex head bolt |
8 |
|
|
| 3 |
DZ96259531020 |
intercooler assembly |
1 |
|
|
| 4 |
Q40308 |
spring washer |
8 |
|
|
| 5 |
81.06225.6008 |
Radiator bracket assembly |
2 |
|
|
| 6 |
06.11240.0411 |
Hexagonal locking nut |
2 |
|
|
| 7 |
DZ96259532020 |
Radiator Assembly |
1 |
|
|
| 8 |
DZ9003532115 |
T-shaped clamp |
4 |
|
|
| 9 |
DZ93259535315 |
Inner fluorine outer silicone tube |
1 |
|
|
| 10 |
DZ91259537012 |
Sponge sealing strip |
2 |
|
|
| 11 |
DZ91259537011 |
Sponge sealing strip |
2 |
|
|
| 12 |
DZ96259536013 |
Windshield assembly |
1 |
|
|
| 13 |
DZ91259538601 |
Worm driven hose clamp |
1 |
|
|
| 14 |
DZ96259534002 |
Radiator outlet pipe |
1 |
|
|
| 15 |
Q67683 |
B-type worm drive type hose clamp |
3 |
|
|
| 16 |
Q67664 |
B-type worm drive type hose clamp |
3 |
|
|
| 17 |
DZ96259535018 |
Radiator inlet hose |
1 |
|
|
| 18 |
DZ9003532115 |
T-shaped clamp |
2 |
|
|
| 19 |
DZ93259538061 |
fixed bracket |
1 |
|
|
| 20 |
DZ96259535020 |
Outlet pipe of intercooler |
1 |
|
|
| 21 |
|
Turbocharger connection (Weichai belt) |
1 |
|
|
| 22 |
DZ9003532084 |
T-shaped clamp |
2 |
|
|
| 23 |
DZ96259534014 |
Inlet pipe of intercooler |
1 |
|
|
| 24 |
Q150B0820 |
hex head bolt |
4 |
|
|
| 25 |
Q33208 |
hex head nut |
4 |
|
|
| 26 |
DZ9100530053 |
Tensioning pin |
2 |
|
|
| 27 |
DZ9100530052 |
Tighten the pin |
2 |
|
|
| 28 |
DZ9100530051 |
Clamp belt |
2 |
|
|
| 29 |
Q218B0860 |
Hexagonal socket head screw |
1 |
|
|
| 30 |
DZ93259538077 |
Bracket cushion block |
1 |
|
|
| 31 |
DZ96259538000 |
Drainage pipe bracket |
2 |
|
|
| 32 |
Q40110 |
flat washer |
2 |
|
|
| 33 |
Q40310 |
spring washer |
1 |
|
|
| 34 |
Q150B1090 |
hex head bolt |
1 |
|
|
| Q150B1030 |
hex head bolt |
2 |
|
|
| 35 |
Q33210 |
hex head nut |
1 |
|
|
| 36 |
DZ93259537002 |
buffer block |
1 |
|
|
| 37 |
DZ96259535017 |
Radiator outlet hose |
6 |
|
|
| 38 |
Q150B0816 |
hex head bolt |
6 |
|
|
| 39 |
Q40308 |
spring washer |
1 |
|
|
| 40 |
DZ96259538027 DZ96259538028 |
Left connecting plate |
1 |
|
|
| Right connecting plate |
| 41 |
Q33210 |
hex head nut |
4 |
|
|
| 42 |
81.06245.0043 |
Swing support assembly |
2 |
|
|
| 43 |
Q150B1050 |
hex head bolt |
4 |
|
|
| 44 |
DZ95259538072 |
Lower right bracket |
2 |
|
|
| 45 |
Q32214 |
hex head nut |
4 |
|
|
| 46 |
Q40214 |
large washer |
4 |
|
|
| Q150B1445 |
Hexagonal head bolt| |
4 |
|
|
| 47 |
DZ96259538019 |
Left bracket of radiator |
1 |
|
|
| DZ96259538020 |
Right bracket for radiator |
1 |
|
|
| 48 |
DZ93259538605 |
pipe clamp |
1 |
|
|
| 49 |
DZ93259535804 |
Variable diameter silicone tubing 55-60 |
1 |
|
|
Previous
SHACMAN M3000 GEAR BOX SUPPORT-5
Read More
Next
SHACMAN NEW M3000 COOLANT FILLING SYSTEM-5
Read More