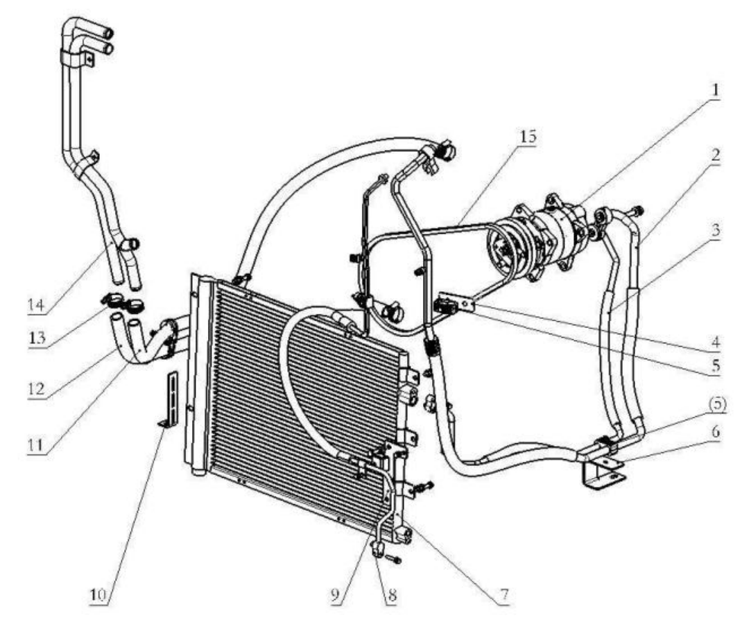
we are very professional in spare parts for 20 years, welcome to send inquiry list to get lowest price and good quality parts| 1 | SZ915000700 DZ13241845010 |
Compressor assembly Compressor assembly |
1 1 |
suit Used for WP7 engine | ||||||||||||||||||||
| 2 | DZ15221845034 DZ15221845041 |
Compressor-evaporator duct Compressor-evaporator duct |
1 1 |
suit Used for WP7 engine | ||||||||||||||||||||
| 3 | DZ15221845035 DZ15221845040 |
Compressor- compensator duct Compressor- compensator duct |
1 1 |
suit Used for WP7 engine | ||||||||||||||||||||
| 4 | DZ15221845030 | Pipeline support | 1 | |||||||||||||||||||||
| 5 | DZ15221845025 | Pipeline fixing clamp | 4 | |||||||||||||||||||||
| 6 | DZ15221845038 | Pipeline fixed bracket (II) | 1 | |||||||||||||||||||||
| 7 | DZ15221845033 | Condenser (new M3000) | 1 | |||||||||||||||||||||
| 8 | DZ15221845036 | Evaporator condenser connecting pipe | 1 | |||||||||||||||||||||
| 9 | DZ15221845037 | Pipeline fixed bracket (1) | 1 | |||||||||||||||||||||
| 10 | 188000360083 | support plate | 1 | |||||||||||||||||||||
| 11 | 116197840057 | Rubber hose (with fiber interlayer) | 1 | |||||||||||||||||||||
| 12 | 116000840032 | rubber hose | 1 | |||||||||||||||||||||
| 13 | 190003989301 | Hose clamp | 4 | ZQ68825 | ||||||||||||||||||||
| 14 | DZ15221845027 | Warm air aluminum tube assembly | 1 | |||||||||||||||||||||
| 15 | DZ13241824602 DZ13241824605 |
Belt Belt |
1 1 |
suit Used for WP7 engine |
||||||||||||||||||||