
| 24 | DZ9112340062 | Upon friction plate | 4 | ||||||||||||||||||||||||||||||
| 25 | 81.92201.0109 | Clinch | on demand | ||||||||||||||||||||||||||||||
| 81.92201.0108 | Clinch | on demand | |||||||||||||||||||||||||||||||
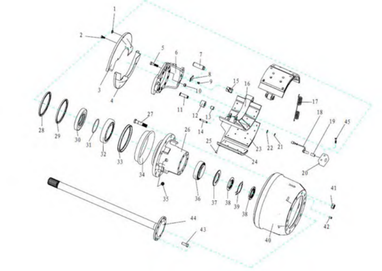
| 26 | DZ9112340309 | Wheel hub | 2 | ||||||||||||||||||||||||||||||
| 27 | DZ9112340123 | Wheel bolt | 20 | ||||||||||||||||||||||||||||||
| 28 | DZ9112340052 | Grease packing | 1 | ||||||||||||||||||||||||||||||
| 29 | DZ9112340153 | Grease packing | 1 | ||||||||||||||||||||||||||||||
| DZ9112340154 | Grease packing | 2 | |||||||||||||||||||||||||||||||
| 30 | DZ9112340017 | Space ring | 2 | ||||||||||||||||||||||||||||||
| 31 | 99012320027 | Packing ring | 2 | ||||||||||||||||||||||||||||||
| 32 | 30222A | Row-steep roller bearing | 2 | ||||||||||||||||||||||||||||||
| 33 | DZ9112340008 | Gear ring | 2 | ||||||||||||||||||||||||||||||
| 34 | DZ9112340010 | Oil baffle disc | 2 | ||||||||||||||||||||||||||||||
| 35 | DZ9003962021 | Socket head cone plug screw | 2 | ||||||||||||||||||||||||||||||
| 36 | 06.32499.0123 | Row-steep roller bearing | 2 | ||||||||||||||||||||||||||||||
| 37 | DZ9112340016 | Thrust gasket ring | 2 | ||||||||||||||||||||||||||||||
| 38 | DZ9112340014 | Nut | 4 | ||||||||||||||||||||||||||||||
| 39 | DZ9112340018 | Thrust washer | 2 | ||||||||||||||||||||||||||||||
| 40 | DZ9112340006 | Brake drum | 2 | ||||||||||||||||||||||||||||||
| 41 | 190003884160 | Wheel nut | 20 | ||||||||||||||||||||||||||||||
| 42 | Q2541020 | Slit bolt | 4 | ||||||||||||||||||||||||||||||
| 43 | Q151B1645TF2 | Bolt | 20 | ||||||||||||||||||||||||||||||
| 44 | DZ9112340156 | Half axis | 2 | for1800wheel track | |||||||||||||||||||||||||||||
| DZ9112340158 | Half axis | 2 | for1860wheel track | ||||||||||||||||||||||||||||||
| 45 | Q151B0850 | Bolt | 4 | for BELT ABS | |||||||||||||||||||||||||||||