
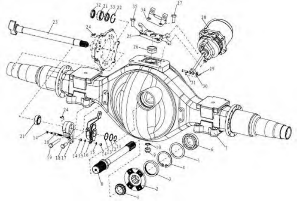
| 1 | 81.90685.0303 | Flange nut | 1 | ||||||||||||||||||||||||||||||
| 2 | HD469-2502100 | FlangeΦ180 | 1 | ||||||||||||||||||||||||||||||
| 3 | DZ9112320185 | Axle seal ring | 1 | ||||||||||||||||||||||||||||||
| DZ9112320186 | Axle seal ring | 1 | |||||||||||||||||||||||||||||||
| 4 | Q430110F3 | Space ring | 1 | ||||||||||||||||||||||||||||||
| 5 | HD469-2502023 | Shim | on demand | ||||||||||||||||||||||||||||||
| 6 | DZ9114320016 | Ball bearing | 1 | ||||||||||||||||||||||||||||||
| 7 | DZ9114330941 | Axle case assembly(469) | 1 | for1800wheel track MANsuspension | |||||||||||||||||||||||||||||
| DZ9114330950 | Axle case assembly(469) | 1 | for1800wheel track STYsuspension | ||||||||||||||||||||||||||||||
| DZ9114330467 | Axle case assembly(469) | 1 | for1860wheel track MANsuspension | ||||||||||||||||||||||||||||||
| 8 | HD469-2502022 | Perforation shaft(output) | 1 | ||||||||||||||||||||||||||||||
| 9 | 58600330015 | Magnetic plug assembly | 1 | ||||||||||||||||||||||||||||||
| 10 | AZ9003090001 | Seal washer | 1 | ||||||||||||||||||||||||||||||
| 11 | 190003933116 | Circlip for axle | 2 | ||||||||||||||||||||||||||||||
| 12 | 88000340028 | Adjuster shim | on demand | ||||||||||||||||||||||||||||||
| 88000340029 | Adjuster shim | on demand | |||||||||||||||||||||||||||||||
| 88000340030 | Adjuster shim | on demand | |||||||||||||||||||||||||||||||
| 88000340046 | Adjuster shim | on demand | |||||||||||||||||||||||||||||||
| 13 | 88000340022 | Adjuster shim | 2 | Only for self-adjusting arm | |||||||||||||||||||||||||||||
| 14 | Q340B08 | Nut | 6 | Only for self-adjusting arm | |||||||||||||||||||||||||||||
| 15 | Q40108 | Plain washer | 4 | ||||||||||||||||||||||||||||||
| 16 | 99000340057 | Brake adjuster (right) | 1 | ||||||||||||||||||||||||||||||
| 99000340056 | Brake adjuster (left) | 1 | |||||||||||||||||||||||||||||||
| DZ9100340044 | Brake adjuster (right) | 1 | |||||||||||||||||||||||||||||||
| DZ9100340043 | Brake adjuster (left) | 1 | |||||||||||||||||||||||||||||||