
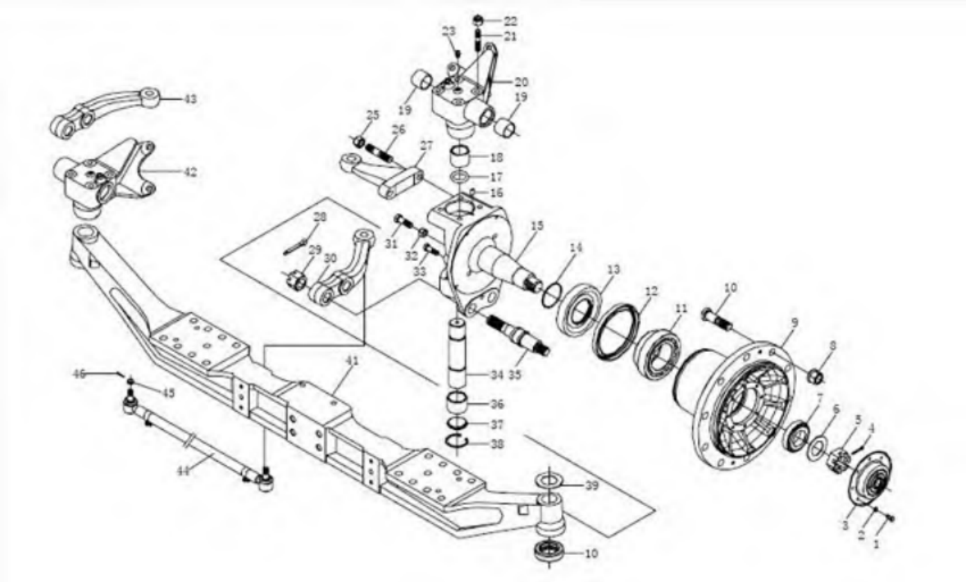
| 1 | Q150B0816 | Hex bolt | 16 | ||||||||||||||||||||||||||||||
| 2 | Q40308 | Spring washer | 16 | ||||||||||||||||||||||||||||||
| 3 | 880410043 | Cap | 2 | ||||||||||||||||||||||||||||||
| 4 | Q5006375 | Cotter pin | 2 | ||||||||||||||||||||||||||||||
| 5 | Q387C36 | Hex bolt | 2 | ||||||||||||||||||||||||||||||
| 6 | 1160-3001136 | Washer | 2 | ||||||||||||||||||||||||||||||
| 7 | 90003326531 | Row-steep roller bearing | 2 | ||||||||||||||||||||||||||||||
| 8 | 99012340103 | Wheel nut | 20 | ||||||||||||||||||||||||||||||
| 9 | 99000410066 99112410010 |
Whee hub assembly Whee hub assembly (with ABS) |
22 | ||||||||||||||||||||||||||||||
| 10 | 99000410104 | Wheel bolt | 20 | ||||||||||||||||||||||||||||||
| 11 | 90003326543 | Row-steep roller bearing | 2 | ||||||||||||||||||||||||||||||
| 12 | 99100410028 | Packing ring | 2 | ||||||||||||||||||||||||||||||
| 13 | 99000410114 | Bushing | 2 | ||||||||||||||||||||||||||||||
| 14 | 295420033 | O style packing ring | 2 | ||||||||||||||||||||||||||||||
| 15 | 99000410028 | Steering knuckle | 2 | ||||||||||||||||||||||||||||||
| 99112410057 | Steering knuckle (left) with ABS | ||||||||||||||||||||||||||||||||
| 99112410058 | Steering knuckle (right) with ABS | ||||||||||||||||||||||||||||||||
| 16 | Q5211016 | Pin | 2 | ||||||||||||||||||||||||||||||
| 17 | 880410052 | O style packing ring | 2 | ||||||||||||||||||||||||||||||
| 18 | 880410033 | Bush | 2 | ||||||||||||||||||||||||||||||
| 19 | 8803417 | Bush | 4 | ||||||||||||||||||||||||||||||
| 20 | 880 410032 AZ9100410032 |
Bearer(left) Bearer(left) |
11 | Install automatic gap adjustment arm | |||||||||||||||||||||||||||||
| 21 | 8804175 | Stud | 8 | ||||||||||||||||||||||||||||||