SHACMAN FRONT AXLE-24
By ALEX-86 16215315999
December 30th, 2025
36 views
we are very professional in spare parts for 20 years, welcome to send inquiry list to get lowest price and good quality partsWhatsapp: +0086 16215315999
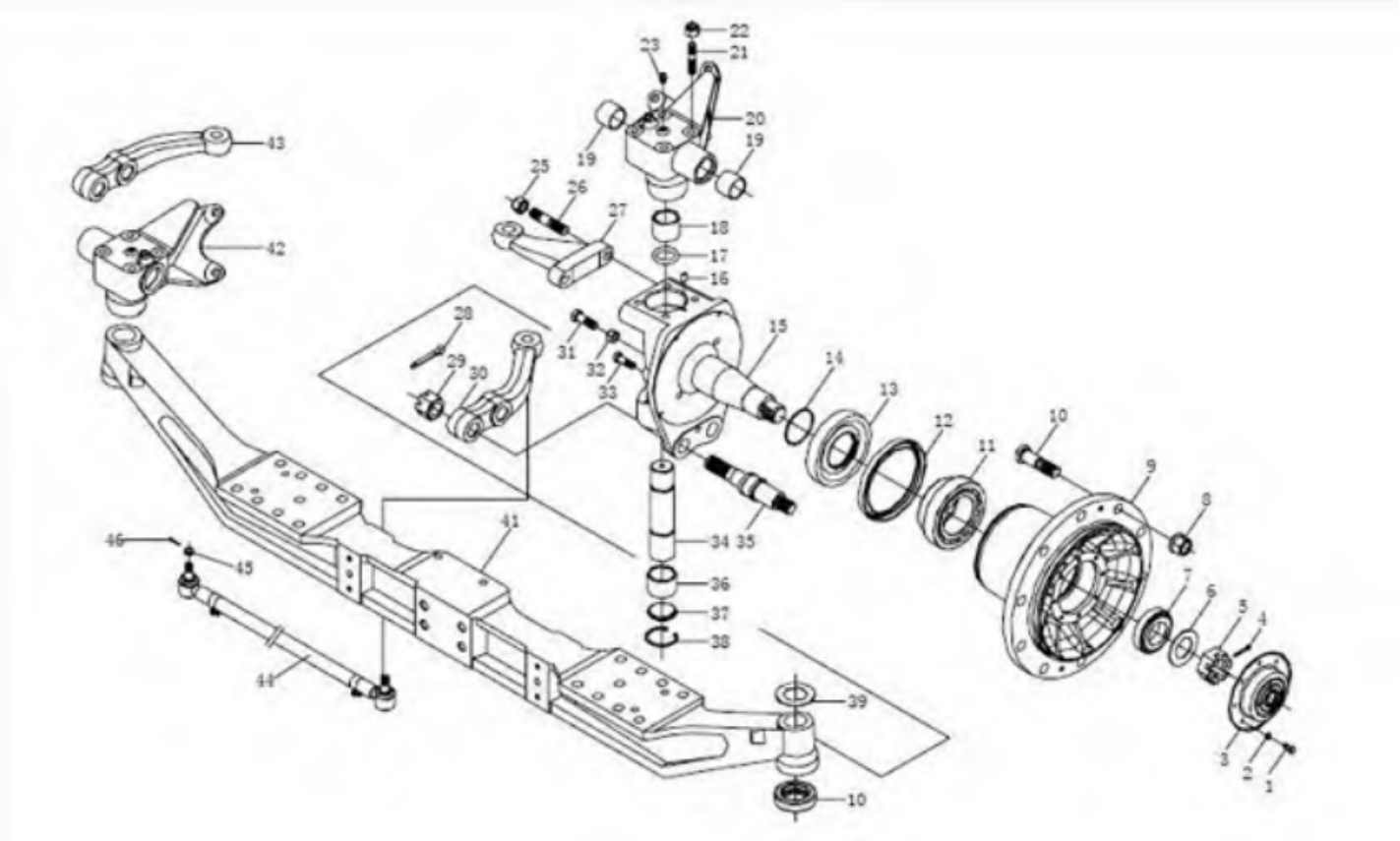
| 22 |
Q30215 |
Wheel nut |
8 |
|
| 23 |
90003963114 |
Taper thread grease nipple |
2 |
|
| 25 |
Q30218 |
Wheel nut |
2 |
|
| 26 |
880 410060 |
Stud |
2 |
|
| 27 |
99000410001 |
Steering knuckle arm |
1 |
|
| 28 |
Q5005050 |
Cotter pin |
4 |
|
| 29 |
Q387C27 |
Hex nut |
4 |
|
| 30 |
880 410040 |
Steering cross rod arm(right) |
1 |
|
| 31 |
Q26114 |
Hex bolt |
2 |
|
| 32 |
Q351B14T15 |
Hex nut |
2 |
|
| 33 |
Q151C1220 |
Hex bolt |
4 |
|
| 34 |
880 410031 |
Steering knuckle pin |
2 |
|
| 35 |
880 410038 |
Break hoof pin |
4 |
|
| 36 |
880 410029 |
Bush |
2 |
|
| 37 |
880 410100 |
Cover |
2 |
|
| 38 |
Q43056 |
Circlip for hole |
2 |
|
| 39 |
880 410094 |
Washer |
on demand |
|
|
880 410097 |
Washer |
on demand |
|
|
880 410104 |
Washer |
on demand |
|
|
880 410108 |
Washer |
on demand |
|
| 40 |
880 410049 |
Thrust roller bearing |
2 |
|
| 41 |
880 410054 |
Front axle |
1 |
|
|
880 410103 |
Front axle |
1 |
|
| 42 |
880 410074 |
Bearer(right) |
1 |
|
|
AZ9100410036 |
Bearer(right) |
1 |
Install automatic gap adjustment arm |
Previous
SHACMAN FRONT AXLE-23
Read More
Next
SHACMAN FRONT AXLE-25
Read More