SHACMAN FRONT AXLE-21
By ALEX-86 16215315999
December 30th, 2025
40 views
we are very professional in spare parts for 20 years, welcome to send inquiry list to get lowest price and good quality partsWhatsapp: +0086 16215315999
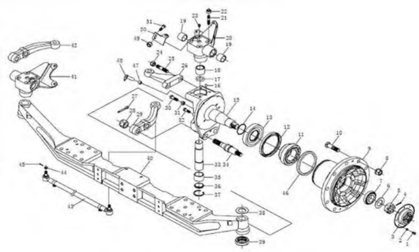
| 39 |
188000410104 |
Washer |
on demand |
|
|
| 188000410105 |
Washer |
on demand |
|
|
| 188000410106 |
Washer |
on demand |
|
|
| 188000410107 |
Washer |
on demand |
|
|
| 188000410108 |
Washer |
on demand |
|
|
| DZ91009410019 |
Washer |
on demand |
|
|
| DZ91009410020 |
Washer |
on demand |
|
|
| DZ91009410021 |
Washer |
on demand |
|
|
| DZ91009410022 |
Washer |
on demand |
|
|
| DZ91009410023 |
Washer |
on demand |
|
|
| DZ91009410024 |
Washer |
on demand |
|
|
| DZ91009410025 |
Washer |
on demand |
|
|
| DZ91009410026 |
Washer |
on demand |
|
|
| 188000410049 |
Thrust roller bearing |
2 |
|
|
| 40 |
DZ9100410201 |
Front axle |
1 |
|
|
| DZ9100410200 |
Front axle |
1 |
|
|
| 41 |
188000410036 |
Bearer(right) |
1 |
|
|
| AZ9100410036 |
Bearer(right) |
1 |
|
|
| 42 |
DZ9112410014 |
Steering cross rod arm(right) |
1 |
|
Install automatic gap adjustment arm |
| DZ9112410012 |
Steering cross rod arm(right) |
1 |
|
optional |
| 199018410004 |
Steering cross rod arm(right) |
1 |
|
optional |
| 43 |
81.46711.6725 |
Steering cross rod |
1 |
|
optional |
| DZ9100430030 |
Steering cross rod |
1 |
|
optional |
| DZ9100430025 |
Steering cross rod |
1 |
|
optional |
| 44 |
81.90610.0015 |
Hen slit bolt |
2 |
|
optional |
Previous
SHACMAN FRONT AXLE-20
Read More
Next
SHACMAN FRONT AXLE-22
Read More