
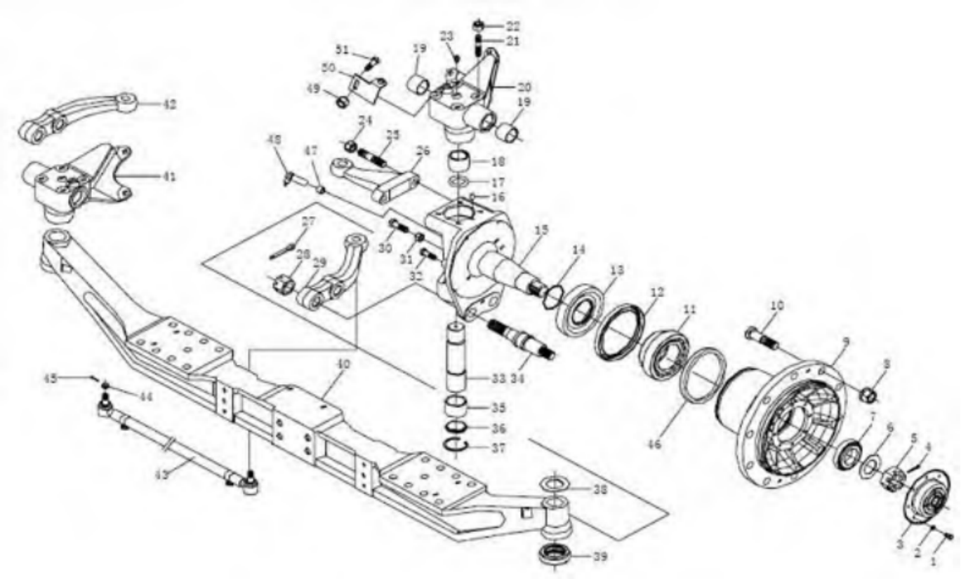
| 1 | Q150B0816 | Hex bolt | 16 | ||||||||||||||||||||||||||||||
| 2 | Q40308 | Spring washer | 16 | ||||||||||||||||||||||||||||||
| 3 | 188000410043 | Cap | 2 | ||||||||||||||||||||||||||||||
| 4 | Q5006375 | Cotter pin | 2 | ||||||||||||||||||||||||||||||
| 5 | 1160-3001141 | Hex bolt | 2 | ||||||||||||||||||||||||||||||
| 6 | DZ91009410028 | Washer | 2 | ||||||||||||||||||||||||||||||
| 7 | 190003326531 | Row-steep roller bearing | 2 | ||||||||||||||||||||||||||||||
| 8 | 190003884160 | Wheel nut | 20 | ||||||||||||||||||||||||||||||
| 9 | 199112410009 | Whee hub assembly (with ABS) | 2 | ||||||||||||||||||||||||||||||
| 10 | 199000410066 | Whee hub assembly | 2 | ||||||||||||||||||||||||||||||
| 199000410104 | Wheel bolt | 20 | |||||||||||||||||||||||||||||||
| 11 | 190003326543 | Row-steep roller bearing | 2 | ||||||||||||||||||||||||||||||
| 12 | 199100410028 | Packing ring | 2 | ||||||||||||||||||||||||||||||
| 13 | 199000410114 | Bushing | 2 | ||||||||||||||||||||||||||||||
| 14 | 129500420033 | O style packing ring | 2 | ||||||||||||||||||||||||||||||
| 15 | 188000410030 | Steering knuckle | 2 | ||||||||||||||||||||||||||||||
| 199112410055 | Steering knuckle (left) with ABS | ||||||||||||||||||||||||||||||||
| 199112410056 | Steering knuckle (right) with ABS | ||||||||||||||||||||||||||||||||
| 16 | Q5211016 | Pin | 2 | ||||||||||||||||||||||||||||||
| 17 | 188000410052 | O style packing ring | 2 | ||||||||||||||||||||||||||||||
| 18 | 188000340017 | Bush | 2 | ||||||||||||||||||||||||||||||
| 19 | DZ91009410005 | Bush | 4 | ||||||||||||||||||||||||||||||
| 20 | 188000410032 AZ9100410032 |
Bearer(left) Bearer(left) |
11 | Install automatic gap adjustment arm | |||||||||||||||||||||||||||||
| 21 | 188000410075 | Stud | 8 | ||||||||||||||||||||||||||||||