
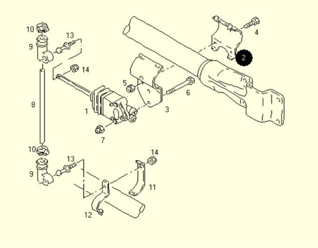
| 1 | DZ13241440070 | Height valve | 1 | |||||||||||||||
| 2 | 81.41701.0038 | Air suspension valve clamp | 1 | |||||||||||||||
| 3 | 81.41701.0043 | Air suspension valve clamp | 1 | |||||||||||||||
| 4 | Q150B0616 | hex head bolt | 2 | |||||||||||||||
| 5 | Q33406 | Type I all metal hexagonal lock nut | 2 | |||||||||||||||
| 6 | Q150B0845 | hex head bolt | 2 | |||||||||||||||
| 7 | Q33408 | Type I all metal hexagonal lock nut | 2 | |||||||||||||||
| 8 | 81.94289.0096 | Guanzi | 1 | |||||||||||||||
| 9 | 81.43613.0030 | Rubber connection hinge | 2 | |||||||||||||||
| 10 | 190003989300 | Hose clamp - ZQ68810 | 2 | |||||||||||||||
| 11 | 81.41701.0041 | clamp | 1 | |||||||||||||||
| 12 | 81.41701.0040 | clamp | 1 | |||||||||||||||
| 13 | 81.91020.0742 | dowel pin | 2 | |||||||||||||||
| 14 | Q33406 | Type I all metal hexagonal lock nut | 2 | |||||||||||||||