
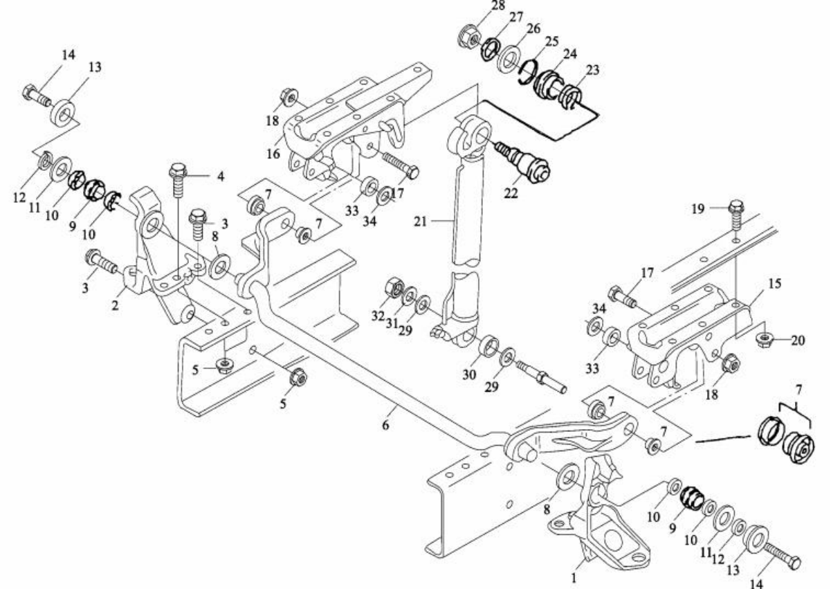
| 1 | DZ13241431050 | Bracket left | 1 | |||||||||||||||||
| 2 | DZ13241431060 | Bracket right | 1 | |||||||||||||||||
| 3 | 06.02813.4913 | Hex lock screw | 6 | M14×40 | ||||||||||||||||
| 4 | 06.02813.4915 | Hex lock screw | 4 | M14×55 | ||||||||||||||||
| 5 | 06.11251.2005 | Hex lock nut | 10 | M14×1.5-10-MAN183-B1 | ||||||||||||||||
| 6 | DZ13241430090 | Locating arm assembly | 1 | |||||||||||||||||
| 7 | 81.96210.0437 | Rubber pad plastic/steel | 2 | |||||||||||||||||
| 8 | 81.90713.0909 | Shim | 2 | 33×65×6-ST/GI | ||||||||||||||||
| 9 | 06.36950.0510 | Bearing bush | 2 | |||||||||||||||||
| 10 | 81.96503.0129 | Seal | 4 | 35.5×47×5-PUR | ||||||||||||||||
| 11 | 81.96101.0638 | Washer | 2 | 32×70×4-PAF | ||||||||||||||||
| 12 | 81.96210.0407 | Washer | 2 | A15×28×2.5-200HV- MAN183-B1 |
||||||||||||||||
| 13 | 06.15013.0415 | Rubber pad | 2 | |||||||||||||||||
| 14 | Q218B1430 | Cylinder crew | 2 | M14×30 | ||||||||||||||||
| 15 | 81.41720.5341 | Bracket assembly left | 1 | |||||||||||||||||
| 16 | 81.41720.5340 | Bracket assembly right | 1 | |||||||||||||||||
| 17 | 06.01499.0150 | Hex shoulder stud | 2 | M16×100 | ||||||||||||||||
| 18 | 06.11241.0117 | Hex lock nut | 2 | AM16×1.5-10-A3C | ||||||||||||||||
| 19 | 06.01739.0054 | Hex bolt | 11 | M12×1.5×35-8.8-A- MAN183-A3C |
||||||||||||||||
| 20 | 06.11222.6507 | Hex collar lock nut | 14 | M12×1.5-MAN183-B1 | ||||||||||||||||
| 21 | DZ93259820160 | Hydraulic cylinder | 1 | |||||||||||||||||