
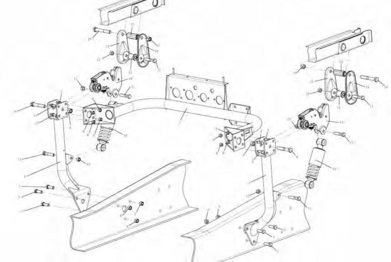
| 1 | DZ1640440160 | Cab support assembly | 1 | |||||||||||||||||
| 2 | DZ1640440150 | Cab support assembly | 1 | |||||||||||||||||
| 3 | Q151B1440 | Hex lock screw | 6 | |||||||||||||||||
| 4 | 190003888458 | Hex lock nut | 6 | |||||||||||||||||
| 5 | Q150B1225 | Hex bolt low type | 8 | |||||||||||||||||
| 6 | Q33412 | Hex lock nut | 8 | |||||||||||||||||
| 7 | SZ144000010 | Cross member assembly | 1 | |||||||||||||||||
| 8 | Q151B1690 | Hex shoulder stud | 2 | |||||||||||||||||
| 9 | Q33416 | Hex lock nut | 2 | |||||||||||||||||
| 10 | DZ13241440150 81.41722.6052 |
Spring strut | 22 | |||||||||||||||||
| 11 | Q151B1470 | Hex bolt | 6 | |||||||||||||||||
| 12 | 190003888458 | Hex lock nut | 6 | |||||||||||||||||
| 13 | 81.96210.0462 | Rubber pad | 2 | |||||||||||||||||
| 14 | 81.61851.0008 | Striker plate | 4 | |||||||||||||||||
| 15 | 81.96210.0364 | Silent block | 2 | |||||||||||||||||
| 16 | Q151B16110 | Hex shoulder stud | 2 | |||||||||||||||||
| 17 | Q33416 | Hex lock nut | 2 | |||||||||||||||||
| 18 | SZ144000756 | Cab lock | 2 | |||||||||||||||||